
The goal is to find an expression for the current through C2.
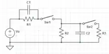
Start off with an analysis of the Charging circuit.

Assume a long time has passed. The caps are opens, the resistors are dividing Vo and C2 is in parallel with R2 so the voltage across R2 is the same as C2:
This turns into the initial voltage across the discharging circuit.

C2 is discharged by the parallel combination of R2 and R3:
So the time constant is:
The particular steady state solution is 0 because there is no forcing function.


The discharging analysis is capacitive. Going to discharge through the parallel combination of R2 and R3 with an initial voltage of VC2.
Have two initial conditions, one is the initial voltage across the capcitor, the other is the loop equation.
Initial voltage across the capacitor:
Loop Equation:
The capacitor terminal equation is negative because it is acting like a source the way the discharged circuit is marked according to the positive sign convention.
Need to solve the above two equations for A and C, then can compute i(t). This is going to be messy symbolically.
If Vo = 20V, R1= 6KΩ, R2 = 2KΩ, R3 = 10.01Ω, C2 = 470μF, find iC2(t):
Initial condition equation:
Loop equation:
Solving:
- and
The current would be:
All the current has to disappear after 5τ and it does in the above equation. This will not always be true, this is why it was worked out in such detail.
In general, the differential equation math (particular + homogeneous of non-homogeneous) suggests there are more A,C solution pairs. This means that all the true facts about a circuit need to be turned into equations that compute A and C. There may be redundant true facts about a circuit. They can be used to check one's work.
The initial value equation then would determine the value of A:
This means that the current is then:
Conclusions
Can not trust the math to lead to the one and only solution. There may be other solutions out there. The starting point is the physical circuit. What has to be true about it? The math should describe a path to a truth, but math can not be trusted to lead us there. This means look at a circuit and write down everything that has to be true about it:
- every cap and inductor has both a initial voltage and current
- one initial condition of a cap or inductor is going to be tied up in a loop or node equation
- the final value ... stored energy (cap voltage or inductor current) could be zero, some finite value, or the circuit could blow up.