Now what if try to cram more information into a single bittime? If we take 2 bits at a time, and arrange them together, we can assign each set of 2 bits to a different symbol, and then we can transmit the different symbols.
Pronunciation
"M-ary" is pronounced like "em airy".
Example: Q-ASK
Let us use the following scheme:
- "00" = +5V
- "01" = +1.66V
- "10" = -1.66V
- "11" = -5V
we can see now that we can transmit data twice as fast using this scheme, although we need to have a more complicated receiver, that can decide between 4 different pulses (instead of 2 different pulses, like we have been using).
Bits Per Symbol
All popular communication systems transmit an integer number of bits per symbol. We can relate the number of bits ("k") and the number of different symbols ("m") with the following equation:
This causes the number of symbols to be a power of two.
With M-ary modulation techniques, the "symbols per second" rate can be much slower than the "bits per second" data rate.
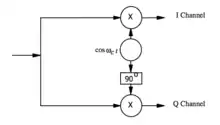
QPSK
Quadrature phase shift keying (aka 4-PSK) is PSK modulation that has four points in the constellation.


There are several variations on this technique:
- simple QPSK
- DQPSK (differential QPSK)
- OQPSK (offset QPSK)
- SOPSK (shaped offset QPSK)
- π/4 QPSK (shifted constellation QPSK)
CPFSK (MSK)
[MSK]minimum shift keying