I'm considering adding a critical-loads subpanel near my main load center, in conjunction with a small grid-tie solar system, and with connection for backup power. Please critique my rationale for adding a subpanel, and help me decide on its ampacity.
Currently my main load center is congested, with only five "half spaces" (half of one panel "space", good for one 120 V circuit, or half a 240 V circuit, when using Siemens "space saver" breakers). Furthermore, this is before I connect the photovoltaics (PV) inverter and before I provide means for connecting backup electrical power.
I'd like to achieve:
Connecting my grid-tie solar inverter. This could be using line-side taps (which connect to the service-entry cables between the POCO meter and the main breaker. Or by a dedicated double-pole breaker in the main panel.
Providing a safe and convenient way to patch backup power sources into my house (an EV, a generator, or a battery system tied to the solar, when that becomes affordable). This could be by connecting a generator inlet jack to a double-pole breaker (in the main panel) which is interlocked with the main breaker. Or by installing a subpanel, which includes interlocked double-pole breakers, one connected to a generator inlet and the other connected to a breaker in the main panel.
Secondary goals, in order of importance, are:
Alleviate congestion in my main load center.
Provide hooks for upgrading my PV system to hybrid-mode (with battery backup) whenever that becomes affordable.
Avoid line-side taps for connecting the PV inverter, in favor of a dedicated double-pole breaker in the main panel. The latter has these advantages: (a) can run feed from inverter in romex, instead of THWN in metal conduit, (b) needn't be without power in between finishing installation and passing inspection and re-installing meter, and (c) line-side taps seem sketchy, since they're connected to the very large service-entry cables and have no protection other than what's at the transformer.
What if I don't install a subpanel? To meet #2, I have to use a breaker for the generator inlet which is interlocked with the main breaker; since a space-saver breaker won't work with the interlock, the breaker will use two full spaces, leaving only one half-space free. Thus there's no room for a dedicated breaker for the PV inverter, so in order to meet #1 I must therefore use line-side taps. (Actually, on reflection, I must use line-side taps anyhow; because you can't have a breaker for a generator inlet plus a breaker for a PV inverter, both in the same panel. Otherwise, during grid outages the generator might trigger the inverter to start up, which the generator might not be able to handle if the inverter supplies more power than the panel loads absorb). So I've failed on #3 and #5.
If I do install a sub-panel, there's no reason not to use a dedicated solar breaker in the main panel (instead of line-side taps), because congestion will no longer be an issue (since I'll move a number of circuits to the subpanel). So I'll meet all five of my goals.
But what ampacity shall I make this subpanel? (In other words, the rating of the breaker in the main panel that feeds the subpanel, and the gauge of wire to connect it).
I want the following critical loads to be in the subpanel (with corresponding branch-circuit breaker size):
- Well pump (1/2 HP) - 15 amperes double pole.
- Range (KitchenAid KFDD500ESS dual-fuel) - 40 amperes double pole.
- Minisplit heatpump in computer room (Fujitsu 12RLS2, 5.5 amperes nameplate rating) - 20 amperes double-pole.
- Refrigerator (KitchenAid KRFC300ESS) - 15 amperes single pole.
- Living room lights - 15 amperes, single pole.
- Living room outlets - 20 amperes, single pole.
- Computer room outlets - 20 amperes single pole.
This adds up to 110 amperes double-pole. I don't expect my backup power source to handle all these loads: during a power failure, I wouldn't hope to run my main HVAC, my fancy vacuum-tube audio gear, all my computer gear (scanners, printers, etc.), or use the oven to bake bread. But I do hope to run the hyper-efficient minisplit in the study, watch TV, have the modem/router/phone work, and access the gas cooktop (requiring minimal power to the range). Therefore those circuits must be in the critical loads subpanel, and therefore it must support all those loads during normal operations.
We know that a breaker supplying a group of subsidiary breakers (for example, the main breaker in a load center) needn't have an ampacity equal to the sum of its subsidiary breakers; my main load center is 200 amperes, and the various breakers in it sum up to 400-500 amperes, but I've never had the main breaker trip because I had too much stuff on at once. So I'm pretty sure I don't need a 110 A breaker supplying my subpanel, with whatever size wire that requires. But what size should I use; how do I figure that out?
Here is some auxiliary information about the loads in question.
Here is wiring diagram for fridge:
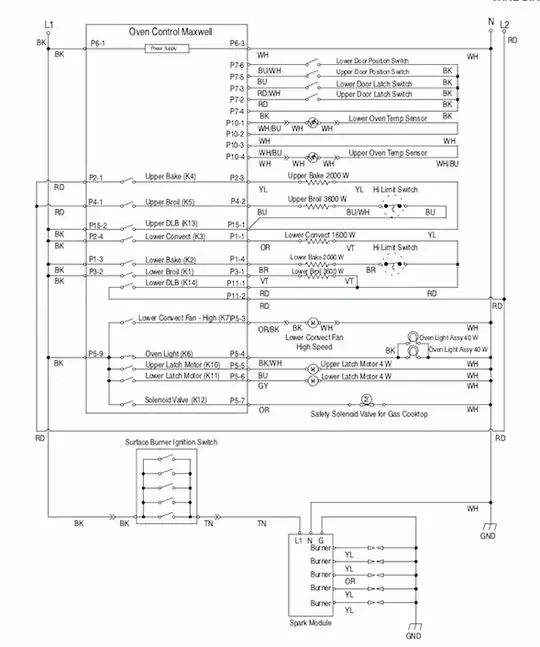
And here is the wiring diagram for the range. Note that even with the ungrounded conductor L2 disconnected, the control module still sees 120vac between L1 and N(eutral) and so the gas cooktop will be functional:




