34

My family at my house use EcoSmart LED lightbulbs that are rated for 9W, and the box says they are replacements for 60W incandescent bulbs. It says have a "long life". However, upon connecting them to light sockets, they immediately get very hot. (They don't burn me, but they're definitely uncomfortable to touch) Not at the bulb - that part's fine, but at the base below the bulb itself.

The highlighted portion is where it gets hot.

enter image description here

And then, these bulbs don't last long, either. They work fine for about 3 months, but then they start randomly getting dim for a minute or two, then getting bright again for a minute or two, over and over.

Eventually they just stay dim and then go out a month later.

Can someone tell me what the problem is and how to fix it?

The bulbs are rated at 9W and are labeled:

CAUTION: DO NOT USE WITH DIMMERS Suitable for use in completely enclosed luminaries Not suitable for damp locations UL LISTED 4EU2 LED LAMP E345327 9W 800LUMENS 120V 2700K 173mA 60Hz Made in China 1810

LED's are supposed to be by far the longest lasting bulbs, but my family has CFLs that have lasted far longer than these. (We have one CFL bulb in a bathroom that we haven't had to change since we got the house three years ago)

EDIT: These are the internals of a bad bulbLight bulb internals

Machavity
  • 26,498
  • 8
  • 44
  • 100
Proxy303
  • 594
  • 1
  • 6
  • 16

8 Answers8

60

Yup, that's marketing.

And then, these bulbs don't last long, either. They work fine for about 3 months, but then they start randomly getting dim for a minute or two, then getting bright again for a minute or two, over and over.

Eventually they just stay dim and then go out a month later.

Can someone tell me what the problem is and how to fix it?

They are working exactly as they are meant to.

  • Build uber-cheap bulb that barely clears UL listing (UL lists for safety, not quality).
  • Consumer buys bulbs.
  • Profit! On government or utility subsidy program.
  • Bulb has very short life. As intended.
  • Consumer does not return bulbs.
  • Profit! Because consumer did not return bulbs.
  • Consumer buys more of the same bulb because consumer likes "cheap".
  • Or consumer rejects this brand, no problem we have other brands of the same thing.
  • Rinse, wash, repeat.

"You not returning them" is an essential part of the plan here. The vast majority of consumers do not, and that's how they make money. (the same is true of the sellers of awful or even fake products on Amazon, like the "1TB" USB sticks that are actually 16GB repeated, and will fail when it becomes full enough).

As you can see, this lackadaisical attitude toward being ripped off has created a perverse incentive. All of these companies do a "number-crunch" on the percentage of expected returns, and figure out how to price so they are profitable nonetheless. If I had all 6 infinity stones, I would snap my fingers and cause all Americans to be of a mind to diligently return all such products. Home Depot, CostCo and Lowes would file bankruptcy a month later.

Since you asked, my "never-buy" brands are any "house brands" of big-box stores, and Utilitech, Lights of America, Feit Electric, and Commercial Electric. My go-to brands are GE, Cree, and (surprisingly) Ikea.

Overdriving bad. Derating good.

You are absolutely correct that the LED emitters in those bulbs would outlive all of us, if the drivers and build quality were up to snuff, and the LEDs hadn't been overdriven to destruction. Because it is possible to drive LEDs so hard they burn out, and the purpose of the current limiting IC on Big Clive's video is to peg them right at the cusp of burn-out.

What Clive is doing with modifying the resistors is effectively turning the cheapo LED into a "Dubai LED", which (by order of the Emir) must hit a 200 lumen/watt target. They use a larger number of LED emitters per lumen, and don't so severely over-drive the LEDs.

You can hit mouser.com and browse their LED emitters and see the data sheets of any of them, but they typically state "spec" performance at a low current, and a "max" performance at a much higher current.

Take this one. The spec is based on a forward current of 350ma, even though the device can run 2000ma (almost 6 times higher). But let's look at what happens there.

  • At 350ma, you get 100% of spec lumens. Voltage at 350ma is 2.69V. (page 18) So total power is 0.941 watts.
  • At 2000ma (571% of current), you get 420% of spec lumens. Voltage at 2000ma is 3.07V. So total power is 6.14 watts.

So for 652% of the power consumption, you only get 420% the raw lumens, but we're not done. The higher ampacity will require running quite a bit hotter, and on page 16-17 we have a thermal derate of 10-15% for the higher temperature. So 380% of lumens may be more realistic (for 652% the power). So you can see it's not terribly hard to double efficiency simply by using better LEDs and not over-driving them. And this will vastly increase service life as well.

So this is the secret of Dubai LEDs.

Now if your cheapo LEDs are built like Clive's many samples, you can identify and pulverize one of the two resistors with a pliers, to radically change the power setting (and somewhat less radically change the brightness, since you are climbing the efficiency curve considerably). However, that will only tell you if the rapid burnout is due to overdriving the LEDs, or due to a plethora of other design shortcomings typical in el-cheapo LEDs.

Harper - Reinstate Monica
  • 313,471
  • 28
  • 298
  • 772
18

Advertising around LED bulbs is a big problem today, and it was even a problem back when "long life" compact florescent bulbs came out. The issue is that the actual LED will in fact last 1000's of hours, but the supporting electronics and heat control fail much, much sooner. Sometimes they fail sooner than an old incandescent light would have.

Companies race to the bottom in price wars and try to make their bulbs cheaper and cheaper by cutting corners on component quality and actual design decisions. They allow the bulb to get as hot as possible without failing. In some cases (as you mention) the bulbs get so hot that they can't be used in enclosed fixtures because of the lack of air flow.

In your case, you could have a "bad batch" that operate hotter than they should. It's also possible that the test fixture they used had a little better cooling characteristics than your enclosed fixture. Your best bet is to try bulbs from a different brand/store. Paying for a big brand name might be worth it for a problematic fixture.

JPhi1618
  • 28,377
  • 5
  • 56
  • 93
15

I'd like to know where you folks are getting LED bulbs with constant current sources that can be adjusted. The bulbs I've disassembled didn't bother with such niceties. They have capacitive dropper circuits in them. They depend entirely on the line voltage and the capacitance to keep the current (somewhat) correct.

Here's a bulb I tore apart last year:

enter image description here

It was still functioning, but had developed a bad tendency to blink on and off at odd intervals.

You can see that one LED is already damaged - the one in the lower right corner has a black streak across it, and it no longer lit up.

Here's the internal circuitry:

enter image description here

enter image description here

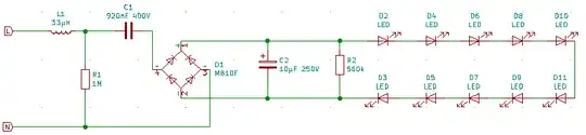
The only semiconductor in the whole thing is an MB10F bridge rectifier.

I traced out the circuit:

enter image description here

As you can see, the only thing limiting the current to the LEDs is a 920nF capacitor.

The current to the LEDs depends on the line voltage, the reactance of the 920nF capacitor, and the forward voltage of the LEDs. Line voltage varies some over the course of the day, and it gets disturbances and surges to higher voltage occasionally. The forward voltage of the LEDs varies with temperature - the forward voltage is lower for higher temperatures.

Voltage surges can cause a high current to flow through the LEDs for a short time.

High temperatures can cause the current to always be higher than planned. That means even just the fact that the LEDs get warm in operation can make them draw more current.

The surges can cause sudden failures, the higher current from temperature variations can cause lower amounts of damage that slowly destroy the LEDs.

You'll see folks saying that it's the power supply sections that go bad and that the LEDs are OK. As you can see in the pictures above, the LEDs aren't OK - and in this case, the power supply was fine (though really crappy.)

The only way to fix these LED bulbs would be to replace the circuit with a decent constant current source. You can't really build one yourself - the LEDs in the bulbs don't come with datasheets that would tell you the needed information (current limits, forward voltage range, temperature coefficients, etc.) to design a proper circuit.

Return them and ask for your money back, then find a better brand of bulbs.


The bulb I disassembled was delivered with a light fixture. I'd have had to return the fixture as well as the bulb, so I bought new bulbs. The new ones weren't any better, and I've been unable to find anything better locally.

Besides the electrical crappiness, they also don't bother to solder or weld the wires from the circuit board to the base. The wires are soldered to the PCB, but only squeezed between the plastic housing and the crimped on metal parts of the base. That probably contributed to the flickering problem with my bulbs.

JRE
  • 424
  • 2
  • 9
11

My background: When I was in engineering school I worked summers at a Westinghouse light bulb plant (eventually in the engineering department). This was a very long time ago (when tungsten filaments ruled the world), before Westinghouse sold that business to Philips. One of the things we did was try to figure out why we'd get consumer returns. My dad was an executive there.

Take the bulbs back to Home Depot (it looks like EcoSmart is a Home Depot house brand). They are marketed as long-life, and 3 months makes no sense - incandescent bulbs normally lasted much longer than that. The retailer should give you a full refund and the manufacturer should reimburse the retailer.

Unless it says "burn base down", that should not be an issue (it can be on incandescent bulbs, the intense heat often affected the glue that held everything together).

It's likely a bad batch - the manufacturer probably got some bad capacitors that week. Over the past decade I've been slowly replacing every bulb in our house with LEDs. I've had maybe 2 "burn out" (out of a couple of dozen or more).

Flydog57
  • 211
  • 1
  • 6
4

Can someone tell me what the problem is and how to fix it?

I can see two possible reasons for this happening:

  1. The bulbs are sensitive to the exact line voltage you have in your Home. I would start by getting a simple digital Voltmeter (probably less than 10 dollars) and check the voltage. Line voltage can and do vary between different houses depending on a lot of factors. Too high voltage will damage the bulbs faster. The solution here is to contact your utility company and ask them to come and handle the problem.

  2. Why not buy one or a few brand-recognition high quality bulbs with a stated life time and try them. If they burn out as fast, you know that it is som problem in your house specifically, otherwise the culprit is probably the bulbs as such. I have a few LED lights at home that has passed 10 years of age and a new one should last at least that long. Sadly low price and made in China is often not a recipe for long life in bulbs.

There could be other reasons of course. I have seen electronics (which the bulbs contain) beeing badly influenced by high power radio transmitters or voltage spikes or similar from large current electrical equipment. Maybe a charger for electrical vehicles can create voltage spikes or the water pump when starting or stopping.

FreeMan
  • 48,261
  • 26
  • 101
  • 206
ghellquist
  • 209
  • 1
  • 3
2

LED and CFL bulbs generally get warm near the base. That part of the bulb has power converter electronics that convert the 120V AC line power into whatever your bulb requires, and these types of circuits can dissipate excess energy as heat (depending on how exactly they're designed). Also, LED bulbs in particular can have large metal heat sinks in the base that help dissipate the heat generated by the LEDs. How warm is too warm will vary based on the bulb - plus it's hard to measure - so I can't say whether the heat level you're feeling is a problem in and of itself.

Because LED/CFL bulbs have power conversion circuitry inside, they're significantly more sensitive to irregularities in your power. It's not uncommon for homes to have poorly-regulated power, where line voltage drifts higher or lower than the expected 120V. These drifts can come from poor regulation on the power line coming into your home, or in some cases can be caused by appliances that pull a lot of power (like an air conditioner or vacuum cleaner) cycling on and off. A good old incandescent bulb doesn't care at all about these things. It just gets a little brighter or dimmer temporarily, and might not even be noticeable to the resident. The power conversion circuitry in LED/CFL bulbs - in particular the cheap ones - aren't built to handle those kind of line voltage irregularities. If you don't have the nice clean power that the designers assumed you'd have, they can burn out very quickly (side note: this is also why these bulbs require different dimmers than incandescent bulbs). One of my old homes had power regulation problems, and I only learned about it when I switched to CFL bulbs and they'd burn out within a week.

Bulbs these days are definitely made as cheaply as possible, but that's not always the cause of rapid burnout. If you suspect you might have dirty power, contact your electric utility. In most locales, they're responsible for providing well-regulated power up to the point where it enters the building. You'd have to pay for repairing any problems caused by internal wiring problems, but most problems of this sort happen on the electric utility's side and thus would be their responsibility to fix.

bta
  • 2,123
  • 7
  • 15
-4

""for use in completely enclosed fixtures" ??!!

As far as I know, no LED bulb can be used in a fixture that does not permit fairly free airflow around the bulb. They are solid-state devices which will suffer severely reduced life expectancy at the elevated operating temperatures caused by such an enclosure.

If the bulb is running too hot to hold (typically in an old enclosure designed for incandescent bulbs), the enclosure should be replaced.

A higher-quality bulb may last longer because of higher-quality components and better internal design, but the fundamental problem will still be there.

As for any manufacturer publishing that claim, they ought to get sued. (They probably won't be).

nigel222
  • 866
  • 4
  • 6
-5

3 months is unacceptable for a LED lightbulb.

Keep the receipt and check warranty terms.
Some manufacturers will replace the defective bulb as a warranty service to keep their brand name (in fact, Philips sent us a replacement fluorescent "tube" lamps with no questions asked, when some of them failed. Just needed to call them).

If the manufacturer or seller does not offer or uphold warranty - vote with your wallet and buy from someone reputable.
[Opinion based: Or get the traditional edison-wire bulbs, before some ECO-authority bans them, as they have a LOT better light quality, do not microflicker, are dirt cheap, last fairly long, and electricity bill difference is negligible]

Thomas
  • 135
  • 1
  • 2