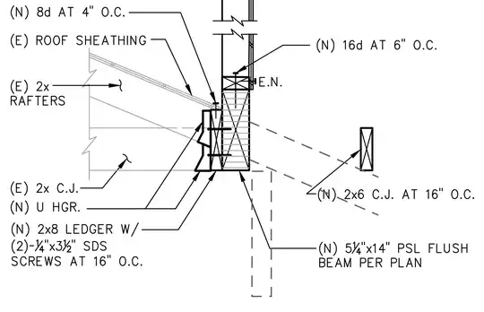
Context: Working on an addition. I am replacing a load bearing wall with a 5.25" x 14" x 18.5 ft PSL beam. The beam will carry the load of the roof with point loads at the end of rafters and joists. Rafters and joists are 24 on center. The beam will not be directly on top of the wall but skewed 3.5" towards the existing roof. Which means, that the joists and rafters end will have to be cut 10.25 in from the outside face of the existing wall (wall to be replaced with beam). 10.25in = top plate 3.5" + beam thickness 5.25" + vertical ledger 2x8 1.5". The engineer calls for U24 and U26 hardware to be placed at the end of joists(2x6) and rafters (2x4) on the 2x8 ledger siting against the beam on the existing structure side. See detail below
Questions
- How do I fit a U24 and U26 side by side for rafters and joists given they are adjacent to each-other (not on top of each other) by side by side with no gap? see detail
- Any alternative recommendations?
- Would using (2) LUC26Z work?
See detail below for reference. Note the existing rafter and joist meeting the ledger with U hardware support.

