4

I'm in a constrained situation where I need as much hot water as I can get, in the smallest possible package, and drawing at most around ~20 amps. The best solution I've found is to use a SunAmp water heater battery.

Getting one unit of their largest model solves most of my problems. It should provide ~80 gallons of hot water, consuming 2,800 watts (at 240v, it draws about 11.6 amps). However, if I could have about 160 gallons, it would be ideal. It's unclear how many amps my service is for. The electrical panel says 125 amps but the wire gauge coming in appears to be a 4 gauge from the faint markings and thickness, so maybe it's more like 60 to 80 amps. Is there a way to reliably test this and find out? Also, the electrical panel says 120/208 volts, but the current electric water heater expects 240v, so I assume that the person that installed it made sure that it wasn't 208v, but I could be wrong. Here's what my electrical box looks like:

Electrical Panel

Breakers 3 and 5 are not being used. Breakers 18 and 20 are being used for the current electric water heater which I am trying to replace. It doesn’t work very well. Water for a single shower is lukewarm and it's a 12kw Stiebel Eltron unit. Water flow is around 6 to 7 liters per minute.

Will my panel comfortably support two of these SunAmp units or is it a bad idea? (Planning on having it charge overnight when most other appliances are not in use).

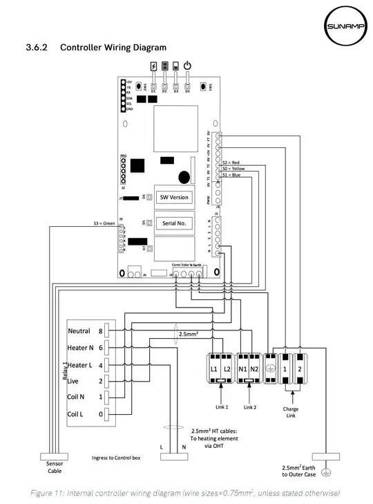
Also, one other concern that I have is the number of breakers necessary for installation. The SunAmp installation manual (page 24 onward) looks a bit complicated to me, especially this part:

SunAmp Wiring

But it seems to me like this battery is almost something that could just be plugged into a normal 240v outlet. In other words, I just need to have a 240v double 15amp breaker for each unit. Am I missing something here? Is there something that I need to be really careful with? I am going to have a qualified electrician do the installation, but I want to know as much as I can about this before making the order. It's coming from the UK and returning these is not much of an option.

Battery specifications: enter image description here

Rohit Gupta
  • 8,055
  • 12
  • 26
  • 38

2 Answers2

15

Given the details from all the chatter in your comments, I see four practical solutions:

  1. Install a conventional 55 gallon electric or heat pump 80 gallon tank with an added tempering valve. Set the tank temperature higher than 120F. The tempering valve will mix in cold water as needed to correct the output temperature. There are some downsides in terms of energy waste and tank life, but it can make your hot water heater act like one 40-50% bigger depending on the temperature you set. This might even be something you can do with the existing installed heater and a little bit of plumbing, making it the quickest/easiest/cheapest option.
  2. Install a conventional 55 gallon electric or heat pump 80 gallon tank with a hot water booster. This is basically an on-demand water heater that cuts the power to your regular heater and heats the output of the storage tank as it passes through. It can effectively make an 80 gallon tank act like a 120 gallon tank while still on the same single 30 amp circuit you already have in place. You can even pair this with a tempering valve and a higher set temperature to get more miles out of a 55 gallon conventional tank.
  3. Install two 15 amp heat pump water heaters in parallel. Rheem makes an 80 gallon version. You can install two of them in parallel just like conventional electric water heaters. This solution seems undesirable because of noise, and the fact that it will chill the space. I mention it only for completeness.
  4. Install a SANCO2 heat pump system with the 83 gallon tank (115 gallons first hour) or 119 gallon tank (135 gallons first hour). These are super efficient and deliver a lot of hot water but the system itself is quite expensive. Or install a similar Chilltrix system with a large storage tank. All of this hardware is UL listed and designed for US installation. This draws heat from outside the space and makes all the noise outdoors as well.

Personally I think the booster option is probably your best bet here. Very little rewiring, not particularly expensive, not much standby loss.

Edit: note I am not addressing your proposed use of an uncertified product. This is primarily because you cannot legally install it, and based on your more detailed descriptions in the comments I believe the problem you are attempting to solve is solvable with conventional hardware.

KMJ
  • 12,940
  • 15
  • 46
8

Identifying your service size

The electrical panel says 125 amps but the wire gauge coming in appears to be a 4 gauge

Most service panels of this size have internal busing rated for 125A. That's because there is demand for 125A panels, and economies of scale favor one bus design that serves both main breaker sizes.

#4 wire, if it is copper and not TW or NM or UF, are allowed 85A. Due to 310.15(B)(7)'s favorable derate, this wire may be used for 100A service to a dwelling (and any feeder off that service). That suggests 100A service.

But since this panel does not have any main breaker, and there must be a main breaker, it must be elsewhere - and that will show your service size.

Also, the electrical panel says 120/208 volts, but the current electric water heater expects 240v

Traditional tank water heaters are nothing but a resistive heating element and a mechanical thermostat. As such, they can run on any voltage - 208V (at 75% power), 120V (at 25% power), etc. In other words, this tells us nothing.

keeping the current electric panel (since changing it requires a lot of bureaucracy

AH! There it is. This says you are in a large installation where someone other than the power company is responsible for power distribution. High-rise condo, that kind of thing. Yes, that is very likely 208V, for the simple reason that the power company wants to supply such an installation 3-phase power. The power company or the installation knocks it down to 120/208V because that's the cheapest way to balance the load.

So yes, most likely you are in 208V-land.

Panel loading is a serious problem for a heat pump.

It's three units chained together (each the size of a typical double queen hotel room)

Oh, hell. That explains the 60A breaker I see marked "Space". I'm guessing this place uses electric resistive heating elements as its primary heat.

Here's the problem with heat pump water heaters. They don't create the heat; they steal it from the utility room. That's fantastic in A/C season since it gives you A/C you might not otherwise have. But in heating season it makes your regular heat work harder.

That's where the fact that your heating is electric resistive heating is important. It means a heat pump water heater won't change the fact that you're paying for every BTU in electric resistive heating - 3410 BTUs per kilowatt-hour. But you also have the overhead of the heat pump.

Does that make sense? I don't know. Being able to heat water using the 60A of space heating might help. It might also just make for awkward thermal gradients in the place. And the noise will suck.

No one says it has to be one tank

Federal law prohibits resistive tanked heaters over 55 gallons - they must be heat pumps. Nonsensical as this may be for houses with electric heat, I think the government was going for whole-grid effects; the grid is under the most stress during A/C season, so the water heater is helping then.

Anyway, the way you get bigger than 55 gallon tanks is multiple heaters daisy-chained in series. (parallel is problematic, how do you get flow exactly even?) You can't power multiple heaters at their nameplate rating but you can hook 120V to a 240V heater for 1/4 the power use (1/2 the voltage = 1/2 the amperage). Or one could be clever and have each heater recover "one at a time" at full power; do it in reverse order so the last heater recovers first. That would give the quickest recovery time when the whole thing goes flat.

A thermal battery is tankless, but it's tanked too

For our readers who don't know, this is a phase change storage. You can't get a better thermal-storage medium than water if you're talking "sensible heat" i.e. only warming or cooling. But if you can change state (solid-liquid-gas) different deal - you get to invoke "latent heat" which is quite a lot. That's how these things beat water as a storage medium. It's something like paraffin. The water is freezing the paraffin, capturing its latent heat of fusion. Very slick.

However, from the water's perspective, this is a "tankless water heater". Which is wonderful news for health, since tanked heaters often grow legionella and other nasty bacteria. However, it has finite heat exchange with the material and that limits productive flow. Exceed the productive flow and it will "tepid out" just like any other tankless.

Anyway, back on topic.

Will these work on 208V?

That is a question for the factory because it depends on how they are melting the paraffin (or whatever they're doing).

If the factory says "no" you could use a buck-boost transformer to get the extra 22-32 volts. However this will result in it using more power. With factory permission you could also use a buck-boost to drive voltage down and power will drop as well. So you could dial it to what your service can handle.

If I had to guess... I would say the electronics is powered by a switching power supply which won't care... and the heating elements are just dumb resistive heaters that won't care either. You may have caught where I said earlier that heating elements run on 208V will run at 75% of the power at 240V. That would apply here. What's really happening with that math?

Ohm's Law. The resistance of the heating element is fixed (at least it is in its operating range). So V = I R means that with R fixed, V (volts) and I (amps) will be in proportion. If you cut voltage from 240V to 208V, then you cut amperage in exact proportion.

E.G. 24A heater x 208 / 240 = 20.8A

Wait, where does 75% come from then? Because power (watts) is Volts x Amps. You are cutting both volts and amps by that fraction, so power is cut by that fraction squared. Say a 4500W heater @ 240V, on 208V, we take

4500 x 208/240 x 208/240 = result in watts.

And with 208 and 240 that works out to 3/4.

Note that dumb heaters are just linear, so if it says it draws 11.2 amps, you need to know what voltage that's specced at. If it's specced at 230V, that means on 240V it will draw 11.2 x 240/230 amps.

Harper - Reinstate Monica
  • 313,471
  • 28
  • 298
  • 772