EDIT 3: Going to end up going with Harper and crip659 on this one. I honestly was worried that there was a justification to have this set up in the way that it currently is, but seeing as no one seems to be able to justify such a bizarre design choice I'm going to just remove the receptacle and the sub panel as it's the safest thing to do. Thanks to everyone who contributed! EDIT 2: More updates, this time to the graph + added details on cooktop. EDIT: Adding details, updating diagram + adding pictures.
Looking for some advice on a little situation I have going on in the kitchen. We've recently had to upgrade our cooktop as the old one had several elements that had just stopped working.
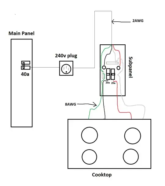
The situation: The cooktop is wired to a 40amp breaker in the main panel which terminates as a 240 volt outlet in the kitchen and that outlet actually has a subpanel plugged into it (AWG of plug is 2AWG) that then connects to the cooktop(cooktop's wires are 8AWG). The part I'm confused about is that the subpanel has two single pole 20 amp breakers (one for the red led and one for the black led) but everything I look up is leading me to believe this appliance should be on a 40amp breaker. Why would someone wire it in this way? I need to replace one of the breakers as I misplaced it when changing them out, so I want to know if I should just buy a 40 amp breaker or stick with how it was originally installed.
Additional Details:
Subpanel: Square D QO Load Center Cat.QO 6-12 T Series L4 (rated for 100 Amps max, 120/240 v I PH. 3W.
Old cooktop: 240v - 8.1kw.
New cooktop: 240v - 7.8kw
AWG of wire running from the plug to the subpanel - 2AWG
AWG of wire running from cooktop - 8AWG
Cooktop Info FORNEBO (IKEA) Induction Cooktop with downdraft ventilation https://www.ikea.com/ca/en/p/foernebo-induction-cooktop-int-extractor-70537757/ Voltage: 240/208V Connection rating: 7400W Current: 32A

![][2]](../../images/9e68cee55e79e9b4faeec232c6797b85.webp)