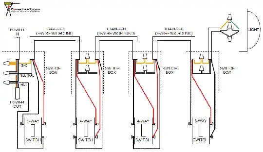
So we have a single light in our living room that can be turned on/off from four different switches at various entrances to the living room.
We're currently replacing all the switches in our house as we update things and I'm wondering exactly what type of switches I need to buy.
4-way? 3-way? Do they make a 5-way? I've replaces dozens of 1 and 2-way switches in the house already, but want to make sure I buy the right switches here.

