we're trying to solve a very strange hot water heating problem (drawing below).
We just separated the the 2nd and 3rd floors in my house into two separate heating zones, and the 3rd floor is now staying at 75 even though its thermostat is set for 65 and isn't calling for heat.
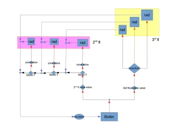
There is a horizontal copper pipe loop in the basement, with all 2nd floor radiators using monoflow T's to take the hot water from the loop and return it back to the loop right after using regular T's.
the way how we did the separation is the following: we added a Y and placed two zone valves to control the flow for the 2nd floor and flow to the 3rd floor manifold. The returns are shared.
We also placed zone valves to 2nd floor radiator supply sides to prevent the 3rd floor return flow from going into the 2nd floor radiators via 2nd fl loop.
the circulator pump is sitting at the return side so it's "pulling" the water.
there are separate thermostats on each floor, and they connect to the 6 zone Taco controller.
when the 2nd floor is calling for heat, 3 things happen: 1) main 2nd floor main zone valve opens 2) zone valves open in front of all supply side of the 2nd floor radiators 3) circulator pump turns on
when the 3rd floor calls for heat 1) 3rd zone main valve opens 2) circulator pump comes on
It is an odd setup, but we had certain limitations (did not want to open plaster walls in the historic house) so we reused the 2nd floor returns.
So right now, 3rd floor is 75 and we can't get the temp down.
any ideas? we're all out...Thanks!!!

