I just replaced the coolant temp sensor in my Manual 97 Mazda Lantis 323 1.8L DOHC 16 Valve BP , which had been malfunctioning and realized that something else seems to be responsible for reporting the engine temperature to the dashboard and turning the radiator fan on and off. I can't seem to figure out what it is though - and the previous owner told me that a mechanic he had taken it to had jerry rigged something so that the fan would stay on all the time - not sure why - but it doesn't seem to be coming on now. The dash display also sometimes reports the engine as being overheating when it's not actually hot. The temp continues to be reported even when the coolant temp sensor is disconnected.
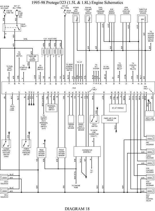
I found this electrical diagram for the car, but I don't really know how to read it:
