Visual Inspection
CABLE HOUSING/SHEATH
You can follow the brake cable back to the rear of the car.
I'm not sure if it goes to the right or left rear.
In so doing you can see if it has any damage. A bad kink in it, torn cable housing (if you can see the actual cable in the housing due to damage....that's not good)
Parking Break Mechanism
The cable will lead to that. You've probably seen it by now. The arm the cable is typically attached to has a worm screw mechanism to push a caliper piston in when it is actuated. So the transfer of power is through the housing and on the cable to the arm, though the worm screw, through the piston to the pad and against the disc.
At the point where the housing is terminated on the arm there is a clip that can be removed. This will allow you to disconnect the cable. You will want to inspect it and lube it. Ensure the cable moves freely in the housing, if bound, replace it. Lube the cable with a graphite lubricant.
Image of Passat Caliper with Parking Brake

If it's not the cable that's giving you the issue then now your leaning to the caliper mechanism that has an issue.
You would need to remove your wheel and the caliper in order to inspect it and verify that it is operating properly.
If that's your issue in particular you can post a question regarding it specifically. It get's a little too involved breaking down the various things necessary for that.
In the end, this should give you a path to start with.
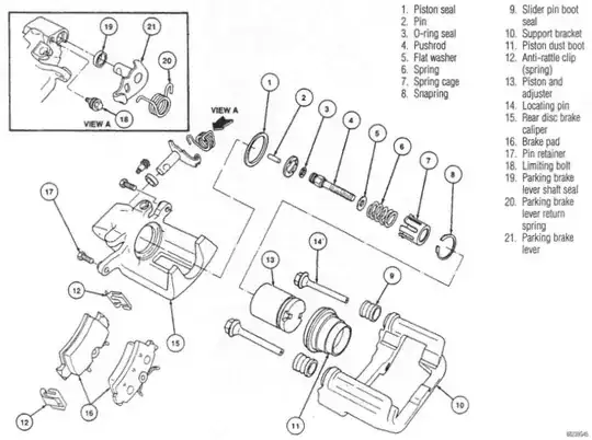
Parts Explosion of a Similar Caliper
I put this in here to simply give you an idea of what the system looks like. This is not for your car specifically.
