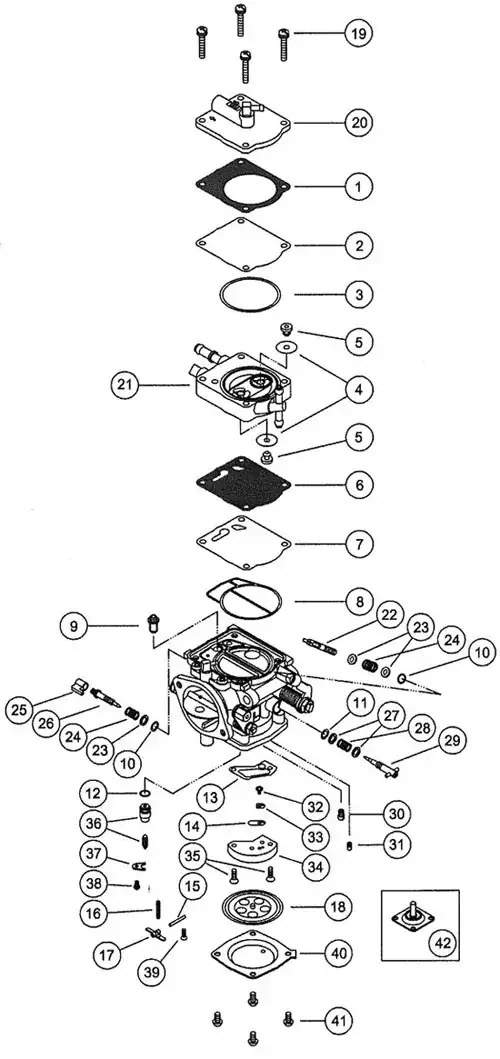
Just put a rebuilt 2 stroke and brand new Mikuni SBN carburetor in my jet boat. Got her running no problem the first couple times, now it seems I can't get any gas into the carburetor from the primer bulb. The primer gets very firm and I am completely unable to pump it. If I remove the gas line from the carburetor inlet the gas flows beautifully, so no problems with the lines ( which are also brand new ) or the primer.
If I spray some starting fluid into the carburetor, she will start AND run perfectly fine with the gas line after, the only problem is the initial startup. ( I know starting fluid is not good for 2 stroke so I really want to get the carburetor issue corrected )
This carburetor only has 5-10 hours on it and I really hope I don't need to rebuild the damn thing.
I read thru the carburetor manual ( here ) and found the section on adjustments, but I'm not sure which ( if any ) will correct the problem I am experiencing.
Any idea's?
All boat detail can be found here: 1992 Boston Whaler Rage
UPDATE:
I took the boat out yesterday and heard a large pop once I opened the throttle for the first time ( sounded normal while idling directly after the start ). I believe maybe one of the carburetor pins was stuck as a result of me trying to squeeze the primer bulb really really hard.

