I have a 2006 Dodge Stratus 2.4. I can't enable cruise control, meaning I cannot turn it on using the switch on the steering wheel. Given that I can't turn it on, I can't set a speed either.
Update: the problem is intermittent; very rarely I can press the on/off switch and the cruise control will turn on. If it does turn on, after 3-5 seconds, it turns back off. Setting a speed does not work 99% of the time. If it does get set, the cruise control will turn off again anyway after a few seconds.
Here's what I've checked so far:
- Fuses [All Good]
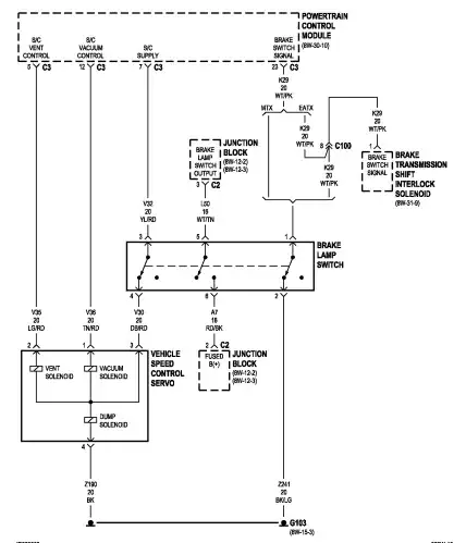
- Cruise Control Servo [No apparent damage]
- Electrical connection to CC servo [No corrosion and not loose]
- Throttle cable to server [Tension is good and no damage]
- Will check brake light switch and update
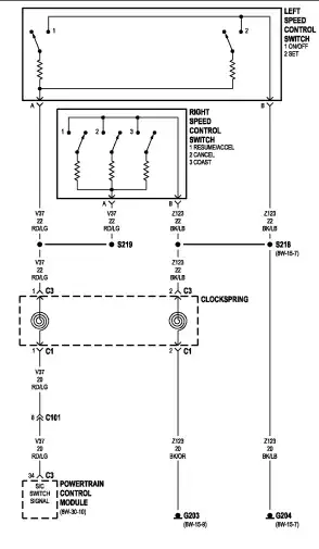
- Will check CC switch on steering wheel for corrosion and update.
- Will check clock spring and update
From there, I'm not sure where to go next. Does anyone have any ideas on how to properly troubleshoot my cruise control?


