TL;DR: You're on the edge, instead of pushing it, use the existing circuit to control a set of relays and supply the bulbs with a short run of larger wire. Use at least 3.3 mm² (12 AWG) wire, which you can fuse at 20 A. Use wire rated for "under hood" (high temperature) applications such as type GXL or TXL.
You didn't ask, but I think it worth noting that the traditional means of specifying lamps is by the amount power they consume, not by how effectively they light the road or even by the light output. This almost made sense when there was only one common bulb technology, but it makes no effort to take into account the efficiency of the bulb or the suitability of the bulb for a particular fixture. You may find that your lamp housing aren't designed to run 110 Watt bulbs and that the light pattern produced may be poorly controlled – the result is that you don't get a better picture of the road ahead of you and oncoming drivers get blinded by your lights. Because of that, in the US at least, bulbs above 55 Watts aren't legal.
The proper wire for the circuit depends on a number of factors:
- The expected current in the circuit.
- The allowable voltage drop (how much voltage will be lost due to resistance in the wire and connections).
- The total length of the wire run. This includes both the hot and ground wires and is the full path from the battery through the fuse panel to the switch and then to the light and back to ground.
- The way the wire is routed – if it runs in a bundle with other wires allowance needs to be made for the reduction in cooling that comes from proximity and the heating of the other wires.
- The expected temperature range where the wire is installed.
You can find calculators online that will provide sizing recommendations based on these factors. The one provided by Wire Barn seems good and easy to use. The calculator shows that with a 3 meter (10') run and a 5% voltage drop your existing wiring would be marginally adequate. However, a larger voltage drop means less light output a 1% or 2% drop is a better design standard and for that your existing wiring is inadequate.
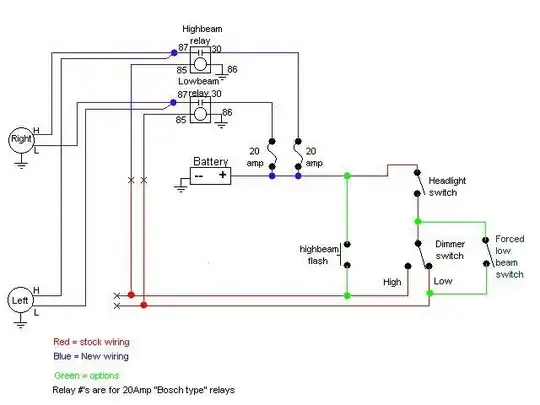
A common strategy when upgrading lighting is to use the car's original wiring to control relays that carry the actual power for the lights. The relays are installed close to the battery and the wire run to the lights is kept short and made with wire sized for a low voltage drop. New fuses are added to protect the load circuits through the relays. You can take a look at my answer to this question for a longer discussion about fuses, but the bottom line is that common practice is to size the fuse to protect the wiring.
The wiring diagram below, from this question shows the changes necessary to upgrade to relays. The diagram is for a Ford truck, but concept is right. The parts you're interested in are the blue changes, the green are unrelated modifications to the headlight circuit. Also note that on this truck there is one relay per side (high and low) whereas your car would be wired with one per beam. Also your car is switching the ground side of the circuit rather than the hot (+12V) side.

Since the lamps you're planning on installing consume significantly more power than the original one there is the distinct possibility that the fixtures themselves will not be up to dissipating that much heat. In particular, be concerned about any plastic parts. At the very least you probably have plastic housings for the bulb terminals, it would be prudent to consider upgrading to ceramic ones. They are commonly available and not too expensive. I was able to find these on Amazon by searching for "h4 ceramic headlight connector".

You can also find bare ceramic ones (without the orange plastic covers).