Answer:
Turns out the computer was shot, entirely non-functional. Swapped one out and the car started right up. For future readers: The computer is a likely cause if the vehicle has power, yet multiple unrelated parts that connect to the computer are non-functional. For me this included code puller, starter, fuel pump / guage, power steering.
Thanks to: 1. Ben for the troubleshooting advice. 2. AllComputerResources.com for the replacement computer. Theses guys are awesome. They sent me a pre-programmed computer for only $130. Dealer wanted $860 for the part and labor to program it. 3. StackExchange for hosting such a great resource.
Original Post:
I've tried everything on this car, except what's wrong. I just need you guys to tell me what that one thing is. Car details 2009 Chevy Malibu LT, 2.4L I4
Problem Description: When I turn the car over to start, I get nothing. All the guages on the dash and all go off, but there's no crank, no sound, nothing. When I turn back from start to on, all the guages, radio, etc power back on. All the electronics turn on and get good power in the on position lights, radio, windows, etc. It's when I turn to start, I get nothing.
This video is my exact car with (seemingly) exact problem and NO solution... Ugh. https://youtu.be/0pcNTu5mycA
Here's what I've tested:
Battery
Took it to autozone for testing. They said it's good. I also tested with multimeter. It looks good. I've tried jumping it anyways. Doesn't help.
Terminal Connectors
Both good now. One was pretty corroded, so I replaced it. Tested connections with multimeter, both good. Cleaned the terminals. I also think the connections are good because I read power at the starter.
Starter
Tested at Autozone. They say it's good. Also bridged the constant power node to the negative, and could hear the (starter) motor turn (wirings good!). Car did not start (I don't think it should?). There's a second power into the solenoid from the ignition. I can't bridge that because it's got this annoying plactic connector plug. I've tried giving it several real solid bangs with a 2x4 before and while turning the key.
When I turn the key there is NO power going from the solenoid to the starter (braided cable). Don't get too hung up here yet.
Relays: Starter / Ignition
Tried switching around relays to see if there's a bad one. Unless they're all bad, not a problem here.
Also, turning the key to start does not cause any relay to click. Setting the security system off causes the headlights relay to click repeatedly. (Probably irrelevant here).
Fuses
Removed and visually inspected every fuse, in all 3 fuse boxes. I didn't test them. I just looked to see if the plastic was burnt and the little wire inside was broken. I've seen 2 broken fuses before, and they were both obviously bad.
Ignition Switch / Passlock Sensor
Changed it yesterday.
I'm also getting constant power into the red (slot 2), and yellow (slot 6). I get constant power into one cable on the passlock (forgot which color).
I tried moving the steering column up and down forcefully a few times. No help.
Ignition Lock Cylinder
Believe it's good. I get the accessories on. It also still gives resistence in the start position, and turns itself back to on. It also physically locks the (something) cable into the ignition switch
Neutral Safety Switch
I know it exists. I haven't looked at it. I have tried shifting through Park to Neutral to Park to Neutral, etc, several times.
Security
My only key is a replacement key. I got it cut at the dealer and programmed myself. I could re-program, BUT the security light isn't coming on. If the car didn't recognize the key, the security light should come on. That's at least how it worked when I first got the key. There is a passlock sensor above the ignition switch. I'm not suspicious (no light), but it does make the wiring more complicated.
Fuel
THIS might be my next lead. If you pay close attention in that video, the fuel guage doesn't lift off empty, even in the on position. I think is on it should show the fuel level. I put my last 1/4 gallon from a can into the car, and still didn't see it move. I'll try putting 2 gallons in and see if that moves the guage, and starts. If NOT, I'd guess it could be an electrical issue with the fuel system. Whenever, I've not had enough fuel before, I at least got a sound that the engine was trying though.
Engine Light Codes
Can't read them. I have a code reader, that I've used on this car before (2 months ago), and now it gives an error, and won't read the codes. I don't think this is related, but maybe the computers dead: losing the codes and ability to start? Pure conjecture here. I know nothing about car computer systems.
Recent History
This issue seems to have started suddenly.
It had (different) intermittant start issues leading up to this due to a bad terminal connector. The thing was so corroded, it cracked and wouldn't tighten. When turning the key you'd see a visible spark on the negative terminal, and all power would go (like a dead battery). Adjusting the negative cable would reestablish power. After a couple tries, the car would start. This is why I changed the battery terminal connector to begin with. Was surprised to see these symptoms immediately after.
Otherwise, no starting or running issues before this.
What do I do? If you actually took the time to read all this, THANK YOU. If you have any adive to add, THANK YOU again.
UPDATES
Checked the starter circuit as described by Ben's answer. Good power and ground to the correct relays. All fuses are good.
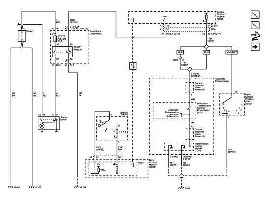
Checked wiring to ecm. Ground on X3 73 is good. Confirmed B+ power to terminal 20 red-white on X1. I have no power to terminal 19 pink on X1. I checked backprobing, and plugging into the front of the connector (wanted to double check). I re-checked in the fuse box, and have power to both ecm fuses.
Jumped power power to terminal 19 (pink). Still no start. BUT! Normally, when I turn the key to start, all power in the cab / dash shuts off. This is normal. NOW, with power to the ecm, all of those components stay on. Which I don't think should happen but it does.
Additional NEew(ly recognized) Symptoms I should have paid attention to this earlier, but on the dash where the service blanks codes show up, I'm getting a bunch... 1) Power steering, 2) Service ESC, 3) Service Traction, 4) ESC off, 5) Low Fuel. I'm assuming this should make it clear what's wrong. I'd guess all these feed through the ECM, but I personally don't know.
Thanks again.
UPDATE 4/3 Towed to dealer (read admitted defeat)... They say the ECM is shot. I'll update again after it's replaced.
ANSWER Sorry, I forgot to give you guys the good news. It's been close to a year now, but the computer was bad. I swapped it out and it started right up.


