I own a Mazda MPV 2000 with a faulty ECU.
The vehicle has an immobilizer.
It will not start with the former ECU.
It floods the engine with fuel.
After extensive diagnostics on the vehicle and the ECU it was determined that I have a faulty ECU.
How do I mate the new to me ECU to the keys and the immobilizer in the vehicle?
Is this something that an enthusiast can do?
What tools do I need?
I know I need to get a code word based on the immobilizer, the actual programming itself, it is something a DIY can do?
Additional Detail:
The code word is based on the serial number of the immobilizer
The mating of the new ECU to the old ECU and immobilizer can be done without contacting the dealer, it even seems it can be done manually without any computer equipment, will confirm that in the next 48 hours
Remotely related issue: How to program a transponder key of a 2000 Toyota Sienna
Additional detail:
ECU recognizes keys but does not start the vehicle, if all fails, will purchase a new immobilizer and mate it to the ECU so it can start
Additional detail:
I don't know what magic the locksmith wants to pull tomorrow but should it fail, I got two choices: get another immobilizer (brand new so it can be programmed to communicate with the new to me ECU or get another used ECU which has the exact same part number as the one which is bad, I lean towards the former not the later!)
Additional detail:
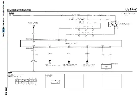
It appears that Mazda made internal changes to the MPV PCM and immobilizer in later models which necessitated a wiring change after PCM/immobilizer replacement. This means that just before I go through the expense of replacing the immobilizer, I am going to switch the ground which happened to be immobilizer harness terminal B in my built in 1999 as 2000 model to immobilizer harness terminal C which appears to have been the standard from 2000 going forward, see diagram attached, as you can see, there is no B in the circuit diagram. In my vehicle, the ground is connected to B instead of C. Having upgraded the ECU to the latest version number in which this change was effected, I also need to change the ground wiring at the immobilizer wiring harness to ensure that the immobilizer is connected to the vehicle's grounds!
The immobilizer recognizes the keys but cannot start the vehicle, the locksmith cannot explain the situation, but this looks to me like a case of an incomplete ground between the immo, the PCM and the vehicle.

