The first thing I would check is the blower motor resistor. This device will usually be located near the blower motor under the dash, and will have an electrical connector with 4 to 5 wires coming out of it. It's job is to add more resistance to current flow with each lower speed. It really just 3 resisters wired in series all inside one component.
- High (4), usually a seperate circuit that by passes the resistor and has a relay for higher current flow required in the high setting
- Med-High (3), goes through resistor one slightly limiting current flow
- Med-Low (2), goes through resistor one and two limiting current flow a little further
- Low (1), goes through resistors one two and three limiting current flow the most
The most common cause of two or more speeds not working is the resistor, because if resistor two burns out it will affect speeds 1 and 2 but not 3 and 4.
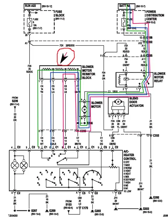
Here is a typical wiring Diagram, this one does not use a separate circuit and relay for high.

The green tracing is low, and goes through all three resistors
The blue tracing is med low, and goes through resistor 2 and 3
The red tracing is med high, and goes through resistor 3 only.
If Resistor two is blow it will prevent green and blue circuits from working. The arrow with the free hand circle around it points too resistor two.
Here are some examples of a typical blower motor resistor

Here is a typical location

If you decide to do this yourself take pictures along the way and I will update my answer making a tutorial with your pictures. I don't have access to a Nissan Note stateside.
Note there is a small possibility that it's a different problem and there are some additional trouble shooting steps you can take to confirm.