My father has 1995 Kawasaki VN 800 Vulcan with low kilometrage (18 000, 11 000 miles). We had installed new Vance & Hines pipes on it (in hindsight, way, way too loud, but that’s beside the point, and we’ll have to live with it). When I put it together, it was about 0 °C outside, maybe a bit lower, but it started right up, without a choke, and responded nicely without need for warm up. Next day, I tightened things up, and went on the short ride (20‒25 min): again, it worked fine, in similar temperatures.
The day after, however, it started to run rougher. I had to warm it up a bit before going during day time. And at night I had to wait couple minutes before I was even able to drive away. It idles mostly okay, but misfires every so often, barely identifiable. However, when the accelerator is applied it instantly bogs down, even if a little bit, and misfires a lot. Due to incomplete combustion, the fuel would even ignite in the exhaust system, as visible by blue flames at night inside the pipe. It is possible to drive after warm up, but it requires unhealthy application of accelerator to beat the misfire and get it to go. After that, at steady pace on the road, it works like a charm.
Below is the list of things I am suspecting:
Bike was not winterized, as we did not expect not to use it for that long (procrastinated for months to spend four hours it took me to get it ready), so the fuel breakdown and hygroscopic issues are a concern (although, from my experience with less-demanding boat two-stroke, even couple-years old fuel can be used sometimes).
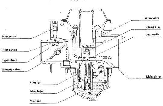
Carburettor (single Keihin CVK 36) may needs tuning, or even re-jetting. We would have to wait until we find and install K&N filter on it. As far as I can see, there is no vacuum actuation on it, so it should be run by plain mechanical linkages.
I do not know if change of back pressure due to straight-pipe exhaust could affect the carb, but I had tried to run with airbox completely off, but nothing had changed.
Electricals:
Ignition timing may be off. As I understand, it has electronic ignition, and the control unit cannot figure out proper timing. That is just a guess, for I know not exactly how it works.
We are going to check spark plugs for combustion symptoms and quality of the spark tomorrow, along with the battery. I shall update.
Those are few guesses I have. None of them explain, why it worked fine one day, and stopped the next. I cannot think of anything that we could have done between now and then that would cause these issue. All we did is just a bit of cleaning and tightened few bolts. I would like to know which causes are more likely given the symptoms, and where should we start.


