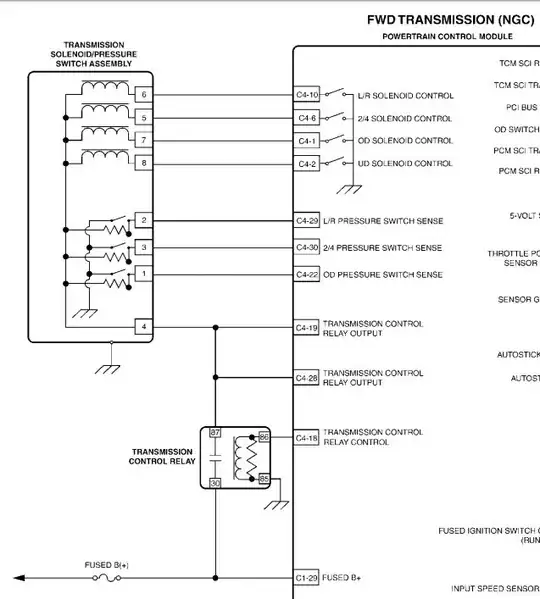
I have had a problem that had stumped me consistently. I have a 2005 sebring that has been intermittently going into limp mode. I checked the code and it told me the tranny control module power relay circuit was always on when tested before start. I ended up replacing the solenoid pack and computer which made the problem go away for about 200 miles. It came back. When I inspected the circuit I noted that it had only a few points at which it was used: solenoid pack, relay, and 3 pins on the computer. 
When the car starts it uses these three inputs to test for voltage. If it is present the car does not activate the solenoid and goes into limp mode. If it is 0v then the car activates the relay and shifts properly...
My question, is it possible that these three test circuits could be feeding current from a leaky diode or something of the likes? Is it very well possible that the computer was not designed properly or damaged? Should I have a diode before each of these 3 inputs to the computer? What could cause these test circuits to be receiving power if it is not from the solenoid, relay, or wiring shirt?see pins 19 28 38
