If you look at a service panel without any breakers in it, it will look something like this.

Notice the thick metal plates running vertically, those are your hot bus bars. One is L1 (A), and one is L2 (B). They are each at 120V potential to ground/neutral, and 240V potential to each other (So don't frigin' touch them!).
When you add breakers, they will make contact with the hot bus bars using the tabs that protrude between the bars.

You'll notice on the cover of the panel that each slot is numbered, with odd on one side and even on the other. So for a 20 breaker panel you'll have.
1 A 2
3 B 4
5 A 6
7 B 8
9 A 10
11 B 12
13 A 14
15 B 16
17 A 18
19 B 20
So 1 & 2 will be on leg A, 3 & 4 on leg B, and so on down the panel.
What types of things are fed by each breaker will determine which leg is used more. For example. If breaker 1 feeds the lights in your living room, and breaker 3 feeds your bedroom lights. If you turn on the living room lights and turn off the bedroom lights, leg A will be used more than leg B.
For 240V circuits, you'll use a double pole breaker that spans two slots on the same side (eg. 2 & 4). This means it will have a hot from each leg, and will use each leg equally.
So the short answer is... It depends.
More Information
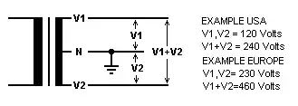
While we're on the topic, lets tackle some misnomers about phase in this type of system. While this is sometimes incorrectly called Two-Phase, it is in fact a 3-wire, single-phase, mid-point neutral system (Sometimes called Split-Phase).
As you may or may not know, we are dealing with Alternating Current here. So viewed with an Oscilloscope, we'll see a Sine Wave like this.

However, since we can measure this system at multiple locations, the waves will look slightly different depending on where we measure. This is where the misconception that this is a two-phase system comes from. Lets slow things down, and look at what is happening in the system as the current alternates.

At this point current is flowing in a positive direction on L1, and a negative direction on L2. Because of this if we measure between different points, this is what we'll see.
L1 -> N = +120V
L2 -> N = -120V
L1 -> L2 = +240V
Now as the current swings back the other way, we'll start to see the sine wave appear.

If we take the same readings again, we'll find things have changed.
L1 -> N = -120V
L2 -> N = +120V
L1 -> L2 = -240V
As you can see, it really is a single phase. Things just get a little confused when measuring from Line to Neutral. A true Two-Phase system, would use 4 wires and the phases would be shifted 90°.
In this type of system the two lines are not referred to as "phases", instead they are called "Legs".