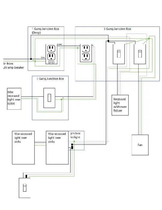
So I inherited a bit of a nightmare for wiring in my bathroom. I'll be calling in an electrician, but wanted to have an understanding of the problem first, as not to be ripped off, lead astray, etc.. So here is the setup/symptoms. The entire bathroom is run off one 20amp line (both outlets and lights). It is a pretty small bathroom, but has a bit of a complex circuit. The line comes in from the breaker box, and splits in a 1-gang junction- one side of the split goes through a GFCI, the other is passed through non-protected. Both halves go into a 3-gang junction box. In this three gang junction, the GFCI protected branch goes into an outlet, then off to a switched light above the toilet (the switch is reachable from the toilet, which is why I think they GFCI protected it). The non-protected branch goes off to the main lights over the sink, a fan, and a recessed shower light over the shower.
The symptoms- when this circuit is on, the whole house lights flicker occasionally. Turn the circuit off, and the flickering goes away (it seems that when the shower light is on the flickering increases). Also, occasionally the GFCI trips when the fan is turned on. Now the fan is on the branch that is not protected by the GFCI, which worries me a bit. So my questions are:
1) Why would the GFCI trip when the fan is turned on sometimes?
2) How bad is this wiring setup (see schematic)? Was the electrician a moron? How might it be cleaned up?
3) What would cause the whole house lights to flicker? I was thinking there may be some arcing going on somewhere in this mess. Where can I look on my own, or suggest to the electrician?
4) Should the recessed shower light be GFCI protected? Does the toilet light need to be? It seems that those two branches should be swapped.
