If you look at the picture below you will see that I took the plastic panel off my door, and separated the motor from the regulator. After I disconnected the motor that I thought was bad, I connected a new one from Dorman. Turns out that both the old and new one can not go up(even when disconnected from the regulator. I also checked the switch by connecting it to another window wiring and making sure that window still worked.
Question is, how do I get the up signal to go from the switch to the motor? I checked all the connectors, and they all looked good to me. Do I need to replace a wire? If so, which one?

View of full panel inside the door.

UPDATE: I also made certain that my fuse is still in tact, so it is not the fuse.
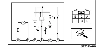
UPDATE 2: I checked the voltage with the multimeter. There are 11.84 V coming to the switch, and when I go down on the switch there are 11.84 V making it to the motor connector, but when I go up on the switch it drops to ZERO. The next thing I would think to look at is the relays, and after researching that I think I found where they are supposed to be, which is R16-19 (for all 4 windows) but as you can see in the picture below, I have no relays in the interior fuse box, which is where I would expect them to be. Where else could they be? What else could cause a perfect connection one way, but zero connection the other?

UPDATE 3: Turns out it was that the switch(lower left switch in the picture below) on the driver side door was faulty. I got the window to go back up temporarily when I physically manipulated the switch. I have to go buy a new switch(all 4 of them on the driver door). Problem halfway solved.

